欢迎访问许昌智工机械制造有限公司官网!
全国服务热线
17719915288
0374-2710777

新闻动态

news center

联系我们

孙秋丽 17719915288
李阿丽 17719915688
徐真真 18103993288
姚会丽 18939101388
李旭兵 17719936033
方旭豪 13782377989
方科举 15333852885
方军涛 15137453199
孟   龙 18039950988
侯晓菲 17337431799
郭鹏举 18939103955
薛   静 13298210899
电话:0374-2710777
地址:河南许昌襄城县智能装备园6号

常见问题

当前位置:首页 - 新闻动态 - 常见问题
电磁炒货机智能温控仪如何操作
发布人:白艳 17719915388      发布时间:2019年5月28日 15:07:19      浏览次数:7373


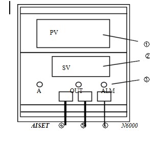
①(PV)显示器(红)

h显示测量值。

h根据仪表状态显示各类提示符。

① ②给定值(SV)显示器(绿)

h显示给定值。

h根据仪表状态显示各类参数。

③ ③指示灯

h自整定指示灯(AT(绿) 工作③ 输出时闪烁。

h控制输出灯(OUT(绿)工作输出时亮。

h报警输出灯(ALM()工作输出时亮。

④功能键

h参数的调出,参数的修改确认。

⑤、⑥数字调整键

h用于调整数字。

h仪表通电后,上排显示 InP,下排显示分度号,表示输入类型。经过 4 秒钟后,上排显示量程上限,下排显示量程下限,表示测量

范围。再经过 4 秒钟后,上排显示测量值,下排显示设定值,进入正常工作状态。

h温度的设定:按 键,上排显示 SP。按56键,使下排显为所需要的值。再按 键回到标准模式。

h控制参数设定:按  4 秒钟以上上排显示控制参数的提示符(详见控制参数一览表),按56键,使下排显示为所需要的值。继续 键,上排依次示各参数的提示符,按56 使各控制参数为需要的值。再  4 秒钟以上,回到模式。(无键按下 1 分钟后自动返回到标准模式)

h若红色显示的下边出现 ooo 则说明热电偶接反,上边出现 ooo 则说明热电偶开路或温度超过测量范围。

h仪表控制参数的自整定功能:按5 20 秒后 AT 灯闪烁,仪表开始自整定,温度经过一到二次波动后自整定结束,AT 灯灭。仪表将以新的控制参数进行控制,并永久保存。





Copyright 2018-2019    许昌智工机械制造有限公司    All right reserved    豫ICP备09023759号-2       豫公网安备41102502000131号
      |    网站更新入口